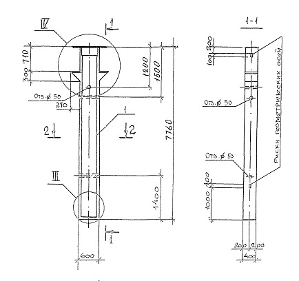
Колонна железобетонная 2КО 6-72(72)-4 представляет собой железобетонный элемент, предназначенный для использования в строительстве зданий и сооружений. Она имеет прочную железобетонную конструкцию, способную выдерживать значительные нагрузки и обеспечивать надежную поддержку верхних этажей здания.
Колонны серии 1.420.1-32, к которой относится данная колонна, широко применяются в строительстве различных объектов: от жилых домов и офисных зданий до промышленных сооружений и инфраструктурных объектов. Они используются для создания несущих конструкций зданий, обеспечивая им необходимую устойчивость и прочность.









