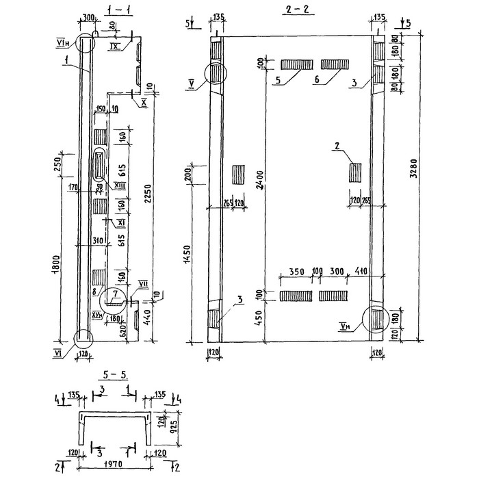
Шахта лифтовая БШЛ 100-33 п-2 б - это элемент конструкции лифта, предназначенный для установки в шахту и обеспечивающий безопасное движение кабины лифта. Изготовлена из высококачественного железобетона, что обеспечивает прочность и долговечность конструкции. Шахта имеет стандартные размеры и габариты, что позволяет легко устанавливать ее в любой лифтовой шахте.
Шахта лифтовая БШЛ 100-33 п-2 б применяется в строительстве и ремонте зданий и сооружений для установки лифтовых систем. Она идеально подходит для использования в жилых, офисных и коммерческих зданиях, где требуется надежная и безопасная лифтовая конструкция. Шахта обеспечивает плавное движение кабины лифта и обеспечивает безопасность пассажиров во время подъема и спуска.









